Fiable y compacto, el Teltonika Rut951 ofrece Internet estable donde a otros routers les cuesta mantenerse en línea.

El router Teltonika Rut951 es más práctico que elegante. La carcasa es metálica, por lo que puede soportar el polvo y golpes ligeros sin fallar. El tamaño es pequeño, lo que es importante cuando el espacio dentro de un bastidor, armario o vehículo ya es reducido.
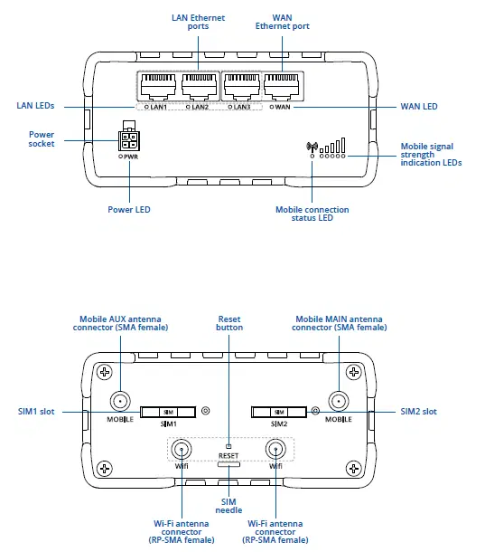
La instalación no lleva mucho tiempo. Los puertos de antena están situados donde se puede llegar a ellos sin esfuerzo. Las ranuras SIM se abren con facilidad y las luces de estado son lo bastante claras para leerlas de un vistazo. En nuestras comprobaciones de routers LTE industriales, esto nos ahorró tiempo tanto en despliegues de prueba como en proyectos más largos.
No necesita ventiladores ni refrigeración adicional. La unidad se mantiene silenciosa y estable por sí sola. En los suelos de las fábricas, en el interior de quioscos o montada en vehículos, sigue funcionando sin mucha atención.
En nuestro análisis del router 4G industrial, el Teltonika Rut951 demostró un rendimiento estable y una latencia constante. Es compatible con LTE Cat 4, que ofrece velocidades de descarga de hasta 150 Mbps y velocidades de subida de hasta 50 Mbps. Aunque no es tan alta como la de los modelos LTE Cat 6 o 12, es suficiente para la mayoría de las aplicaciones de IoT, monitorización y control.
El router Teltonika Rut951 mantiene la fiabilidad de la red incluso en zonas de gran afluencia de móviles. La conmutación por error entre conexiones móviles y por cable funcionó sin interrupciones prolongadas. Durante las pruebas de estrés, se mantuvo conectado durante largos periodos sin caídas, lo que lo hace adecuado para operaciones en las que el tiempo de inactividad es costoso.
La compatibilidad con múltiples redes es una clara ventaja. El router funciona con los principales operadores de telefonía móvil de todas las regiones, por lo que los proyectos pueden ampliarse sin estar sujetos a un único proveedor. Para las empresas que gestionan flotas o unidades remotas, esta flexibilidad es importante.
En las comprobaciones de rendimiento en el mundo real, el router se ajustó a sus especificaciones técnicas. La latencia se mantuvo dentro de rangos aceptables para los sistemas de monitorización y control remoto, incluso cuando se conectaba a través de redes móviles. Esto convierte al router celular para IoT en una herramienta de confianza para sectores en los que la capacidad de respuesta es importante.

Comprender las redes IoT es esencial para reconocer cómo interactúan y se comunican los dispositivos en nuestro cambiante mundo moderno.
Nuestro análisis del Teltonika Rut951 destaca un router que ofrece un conjunto claro de funciones. Un puerto WAN y tres puertos LAN se encargan de los enlaces por cable. El Wi-Fi funciona con el estándar 802.11b/g/n, proporcionando acceso local básico donde no se necesitan cables.
El módem funciona con LTE Cat 4 con velocidades de hasta 150 Mbps. Cuando la señal cae, pasa a 3G o incluso a 2G. Dos ranuras SIM ofrecen otra capa de respaldo, de modo que la conexión puede pasar de un operador a otro.
Se incluyen herramientas de seguridad. Cortafuegos, DNS dinámico, reenvío de puertos. Soporta varios tipos de VPN como OpenVPN, IPsec, GRE, L2TPv3 y L2TP. Suficientes opciones para la mayoría de las configuraciones.
RMS forma parte del sistema. Permite comprobar y actualizar el router LTE industrial a distancia. Las necesidades de energía son reducidas, menos de 2 W en reposo y menos de 7 W cuando se empuja. La carcasa es compacta, de 110 por 50 por 100 mm, y pesa 287 g. Sólo por esta característica, las empresas suelen elegir el router Teltonika Rut951 para tareas críticas.
El Teltonika Rut951 no está ligado a una sola industria. Aparece en diferentes reseñas de routers 4G industriales, a menudo por su capacidad para seguir funcionando en condiciones mixtas. Lo utilizan empresas de transporte, pero también tiendas, plantas e incluso pequeñas centrales energéticas.
Seguimiento de flotas: En los vehículos, el router mantiene el enlace para el GPS y los sistemas de control remoto. Algunos operadores también lo utilizan para el Wi-Fi de los pasajeros, aunque la prioridad son los datos fijos para el seguimiento.
Cartelería digital: Los paneles publicitarios y las pantallas necesitan actualizaciones puntuales. El router celular para IoT los conecta de nuevo al servidor de control para que los nuevos contenidos aparezcan sin demora.
Fabricación: En las plantas de producción, las máquinas y los sensores permanecen conectados a través del router. Ayuda al personal a detectar problemas con antelación y evitar paradas en el proceso.
Quioscos minoristas: Las máquinas expendedoras de billetes, los cajeros automáticos o las unidades de vending suelen estar en lugares sin Internet fijo. El router compacto cabe dentro y mantiene los pagos en movimiento.
Monitorización remota: Estaciones de energía, bombas de agua o puestos de seguridad confían en él cuando Internet por cable no es una opción. El router Teltonika Rut951 mantiene una conexión móvil en la que los operadores pueden confiar.
Estos casos son diferentes en tamaño y alcance, pero todos muestran cómo el router puede encajar y hacer su trabajo sin destacar demasiado.
Velocidad
150 Mbps / 50 Mbps
Puertos LAN
3 puertos LAN
Puertos WAN
1 puerto WAN
Tragamonedas
2 x ranura SIM
Módem móvil
(4G LTE Cat. 4)
WIFI
WIFI 4 (11n)
El análisis del Teltonika Rut951 no estaría completo sin hablar de su precio. Se sitúa por encima de modelos básicos como el RUT200 o el RUT240, pero por debajo de unidades avanzadas como la serie RUTX.
El precio más elevado refleja la mayor durabilidad, la mayor compatibilidad de funciones y la flexibilidad para gestionar implantaciones sencillas y complejas. Aunque no es el router celular más barato para IoT, es competitivo si se considera el ciclo de vida completo. La vida útil y el menor tiempo de inactividad contribuyen a reducir el coste total de propiedad.
Al comparar alternativas, los routers de consumo más baratos pueden ahorrar dinero por adelantado, pero suelen fallar en condiciones exigentes. En cambio, el router Teltonika Rut951 está diseñado para entornos en los que la fiabilidad se amortiza con el tiempo. En términos de retorno de la inversión, equilibra el coste con un rendimiento fiable, lo que lo convierte en uno de los mejores routers IoT de su gama.
En este análisis del router 4G industrial, el Teltonika RUT951 demuestra ser una opción fiable para las empresas que necesitan Internet móvil para funcionar sin problemas. No es el router más barato, pero la combinación de durabilidad y prestaciones lo sitúa por encima de muchas unidades económicas.
Para los integradores o equipos que gestionan flotas, quioscos o sistemas de fábrica, este modelo da menos sorpresas con el tiempo. Los equipos más baratos pueden funcionar durante un tiempo, pero rara vez duran. El router Teltonika Rut951 destaca porque sigue haciendo su trabajo en lugares donde el tiempo de inactividad cuesta dinero.
Nuestra conclusión: En Simbase, recomendamos combinar el router Teltonika Rut951 con nuestros servicios de conectividad para maximizar el valor. Cuando se combina con Tarjetas SIM IoT y seguimiento, los proyectos ganan tanto Hardware IoT y la estabilidad de red necesaria para el éxito a largo plazo. Esta combinación ayuda a convertir un router fiable en una solución IoT completa.
Characteristics
Diagram
| Interfaz WAN | 1 puerto WAN |
| Interfaz LAN | 3 puertos LAN |
| Wi-Fi | IEEE 802.11b/g/n |
| SIM | 2 ranuras SIM |
| USB | No |
| Transferencia de datos | 4G (LTE) - Cat 4 hasta 150 Mbps, 3G - Hasta 42 Mbps, 2G - Hasta 236,8 kbps |
| Conectividad | 4G LTE, 3G, 2G |
| Interfaz de red | Cortafuegos, DNS dinámico y compatibilidad con el reenvío de puertos |
| Interfaz de seguridad | OpenVPN, IPSec, GRE, L2TPv3, L2TP |
| Interfaz de gestión | Sistema de gestión remota (RMS) de Teltonika |
| Potencia Rango de tensión de entrada | 9 - 30 VDC, protección contra polaridad inversa; protección contra sobretensiones >31 VDC 10us máx. |
| Consumo de energía | < 2 W en reposo, < 7 W máx. |
| Antenas | 2 x SMA para LTE, 2 x RP-SMA para conectores de antena WiFi |
| Dimensiones | 110 x 50 x 100 mm |
| Peso | 287 g |
| Garantía | Garantía limitada de 2 años |
| Contenido del paquete | Enrutador Teltonika RUT951 2 antenas LTE (SMA macho) 2 antenas WiFi (RP-SMA macho) Adaptador de corriente Manual |
| Ficha de datos |

Si alguna de sus preguntas sigue sin respuesta, póngase en contacto con nuestro equipo para que se la responda.
Sí, incluye gestión de Calidad de Servicio (QoS) que permite priorizar el tráfico en función del origen, destino, servicio, protocolo o puerto.
El RUT951 se puede gestionar a través de HTTP/HTTPS, SNMP, SMS y el Sistema de Gestión Remota (RMS) de Teltonika.
El router proporciona conmutación por error WAN cambiando automáticamente a una conexión de reserva disponible en caso de fallo de la conexión primaria.
Sí, está diseñado para funcionar en una amplia gama de temperaturas, de -40 °C a 75 °C, y cuenta con un grado de protección IP30.
Está certificado para su uso con varias normas reglamentarias, como CE, FCC y otras, lo que garantiza el cumplimiento de los requisitos internacionales.